
Circuit - Ford Ranger Short Circuit
Ford Ranger Fuse Box Diagram Circuit Wiring Diagrams - Ford Ranger Short Circuit
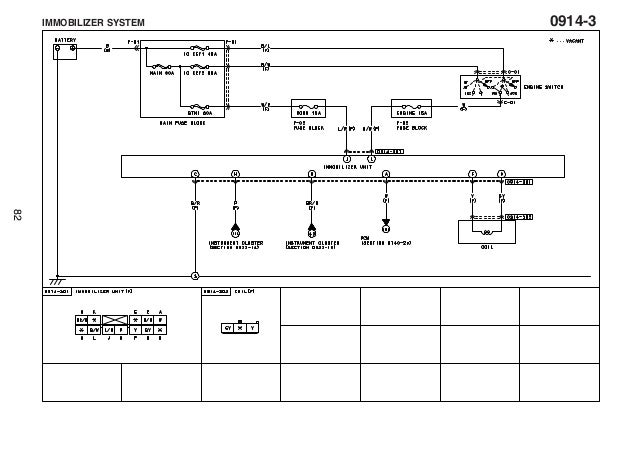
Graphic - Ford Ranger Short Circuit

- Ford Ranger Short Circuit

B Driver Air Bag Circuit Open Antenna Not Connected Module Configuration Failure - Ford Ranger Short Circuit
Start Circuit - Ford Ranger Short Circuit
As You Can See There Is Nothing Past The Relay That Could Cause The Short The Relay Is The Only Load On That Circuit - Ford Ranger Short Circuit

If You Have A Meter That Reads Ohms We Will Need It To Find Out Where The Short Is - Ford Ranger Short Circuit
Graphic - Ford Ranger Short Circuit
Based On Drakuzs Ford Ranger Xl Crew Cab I Give You The Ranger Single Cab With Super Short Bed D - Ford Ranger Short Circuit
Ford Ranger Blue Short Bed Speed Positrac - Ford Ranger Short Circuit

Short Circuitstarte Problem The Ranger Stations - Intermitent Short Circuit I Think Ford Ranger - Short Circuit Ford Explorer And Ford Rangers Serious - Wiring Short Circuit Ford Truck Enthusiastss - How To Find A Electrical Short On Most Any Car Or Truck -
0 Response to "Ford Ranger Short Circuit"
Post a Comment